魏英智 霍汉军(哈尔滨轻工业学校)
在我校99发酵班的同学酿酒过程中,发现其中有关温度的控制,由于均是手动控制,所以他们仍然沿用传统的同学轮流日夜看守,很是辛苦,这也是人力资源的浪费。为此,我们利用学生毕业设计期间,在对其控制系统电路的工作原理、控制要求及现场数据进行充分分析后,决定利用PLC对其中的温度控制部分进行改造以实现温度的自动控制。经过反复调试运行,成功地完成了本次设计改造。下面就设计改造过程中的硬件和软件进行介绍。
一、控制要求及说明
充分利用已有的温度显示调节仪的监测系统,温度的设定和显示仍在原有的温度监测装置上实现,我们利用其检测到的信号实现控制部分。
多个发酵罐公用一个制冷电机对其进行制冷,使用的是酒精水循环制冷,所以每个发酵罐都有一个电磁阀控制其酒精水循环。当其中一个或几个罐内温度达到各自所设定温度值时,各自温度显示调节仪监测温度的常开触点接通,各自的电磁阀打开,同时启动制冷电机进行制冷;当其中某一罐内温度降下来(该温度监测的常开触电断开)而其他罐仍需继续降温时,只有该罐的电磁阀?经过t时间后关断而制冷电机继续给其他罐制冷,直到最后一罐的温度也降到设定值时,其电磁阀和制冷电机同时经过t?时间后关断停下来。
为了避免制冷机的频繁启动,同时也由于发酵罐内温度要求只要能维持在某一温度范围即可,例如,以14 ℃为设定温度值为例,罐内允许温度在14~12 ℃之间均为正常。所以在设计编程时,当发酵罐内温度高于14 ℃时制冷电机开始启动降温,而当温度降至14℃时,经过t时间后再停止制冷,而延迟时间t可随时?根据现场的实际情况通过程序进行现场修改。同时为了避免电磁伐已关闭而制冷机仍制冷造成的憋机状态(由于原系统各罐的电磁阀接线均值接受温度显示调节仪上的继电器的触点控制,即当温度降到设定值时电磁阀就立即关闭而此时若制冷机仍没有停下来而其他罐的电磁阀又没有打开的就会造成憋机现象)设计时我们改变了原有的接线让其控制触点与制冷机控制触点同时动作。由于多个发酵罐同时共用一个制冷机,在设计编程序时分别采用多个输出端子控制同一台制冷电机,而在实际接线时采用这几个端子并联同时控制制冷电机。
二、I/O 通道分配

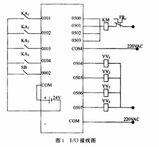
三、I/O接线图?
I/O接线图如图1所示。

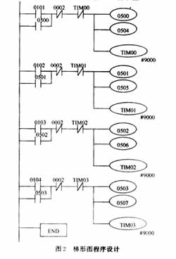
四、梯形图程序设计
梯形图程序设计如图2所示。

五、结束语
本次设计改造,在充分利用了原有设备资源的情况下,依靠软硬件结合的方法实现了本次设计任务,即避免了电机的频繁启动及电磁阀与制冷电机不同时启动所造成的憋机现象。通过反复调试运行,该设计已被应用到实际中,达到了设计改造要求,现运行结果良好,获得了较好的社会效益和经济效益。













